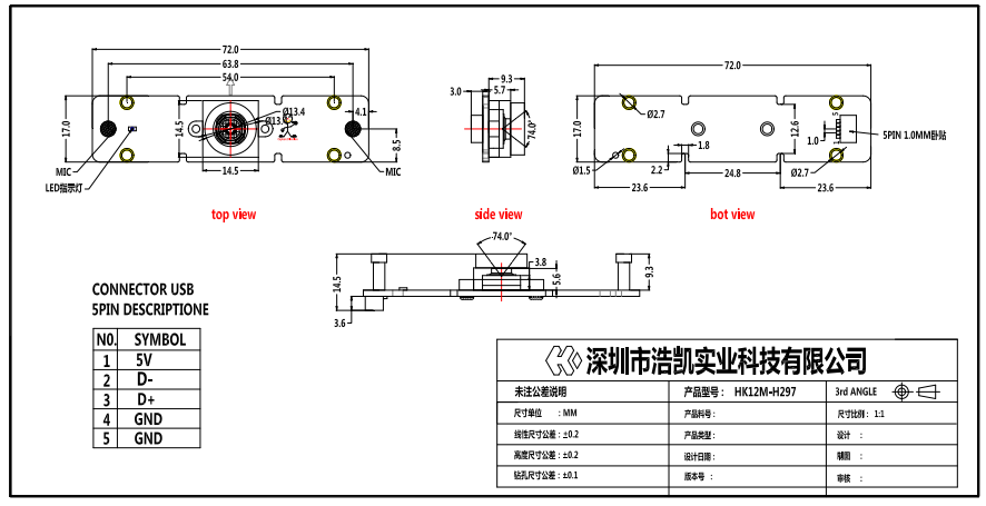
USB2.0 interface, 12 mega pixels, PDAF fast focusing
Equipped with dual omnidirectional digital microphones, it supports audio and video recording; also features a power indicator light
Suitable for scenarios such as live streaming, video conferencing, and video calls